自然资源部办公厅关于印发《海域立体分层设权宗海范围界定指南(试行)》的通知
    时间:2024-11-24 来源:自然资源部自然资源部点击:

     自然资办函〔2023〕2234号


    沿海各省、自治区、直辖市自然资源主管部门,上海市海洋局、福建省海洋与渔业局、山东省海洋局、广西壮族自治区海洋局,自然资源部北海局、东海局、南海局:

    根据《自然资源部关于探索推进海域立体分层设权工作的通知》(自然资规〔2023〕8号),为规范海域立体分层设权项目宗海范围界定及宗海图编绘,我部组织编制了《海域立体分层设权宗海范围界定指南(试行)》。现印发给你们,请参照执行。
    自然资源部办公厅

    2023年11月17日

    附件  :
    • 海域立体分层设权宗海范围界定指南(试行).doc


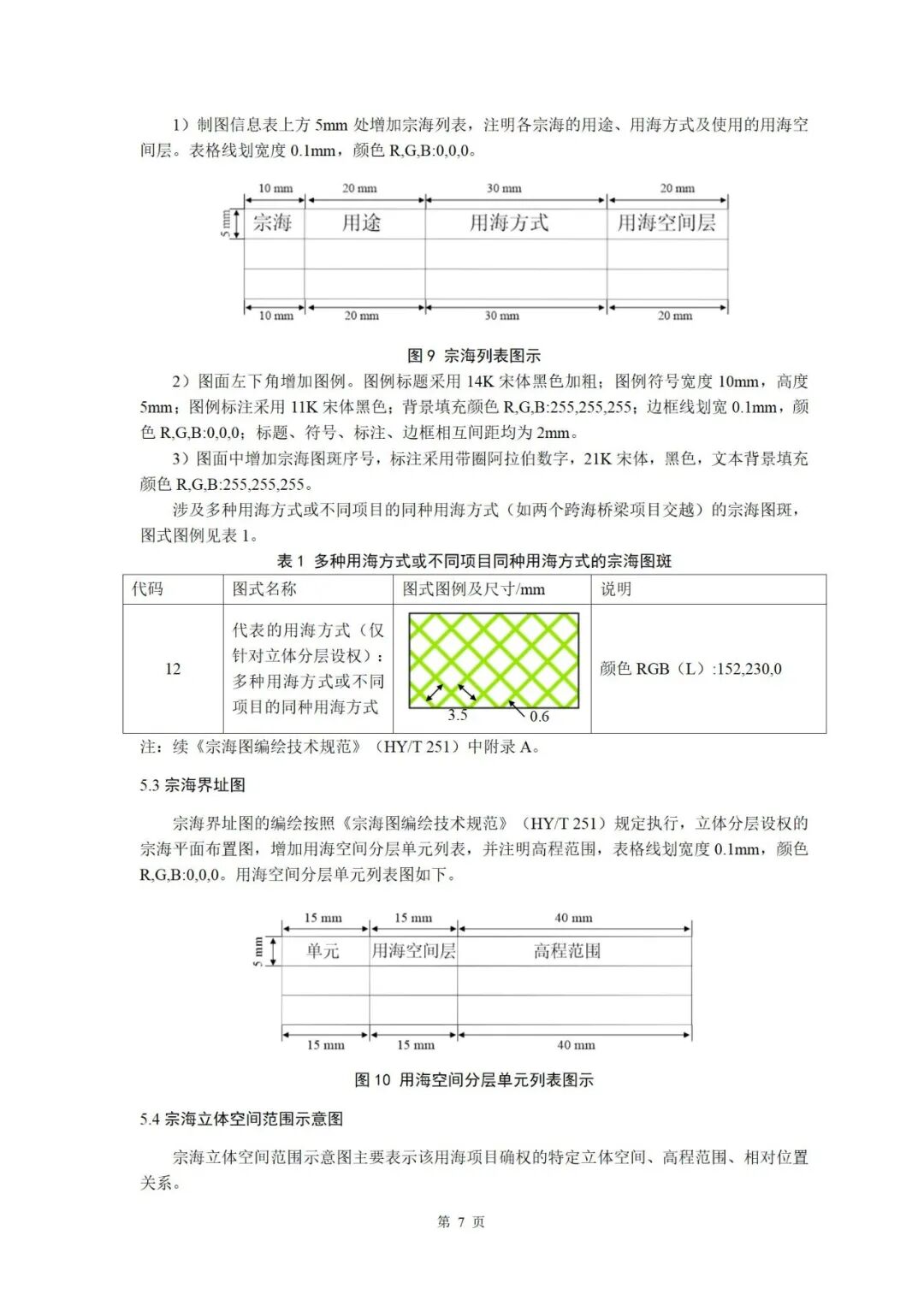
    图片

    图片

    图片

    图片

    图片

    图片

    图片

    图片

    图片

    图片

    图片

    图片

    图片

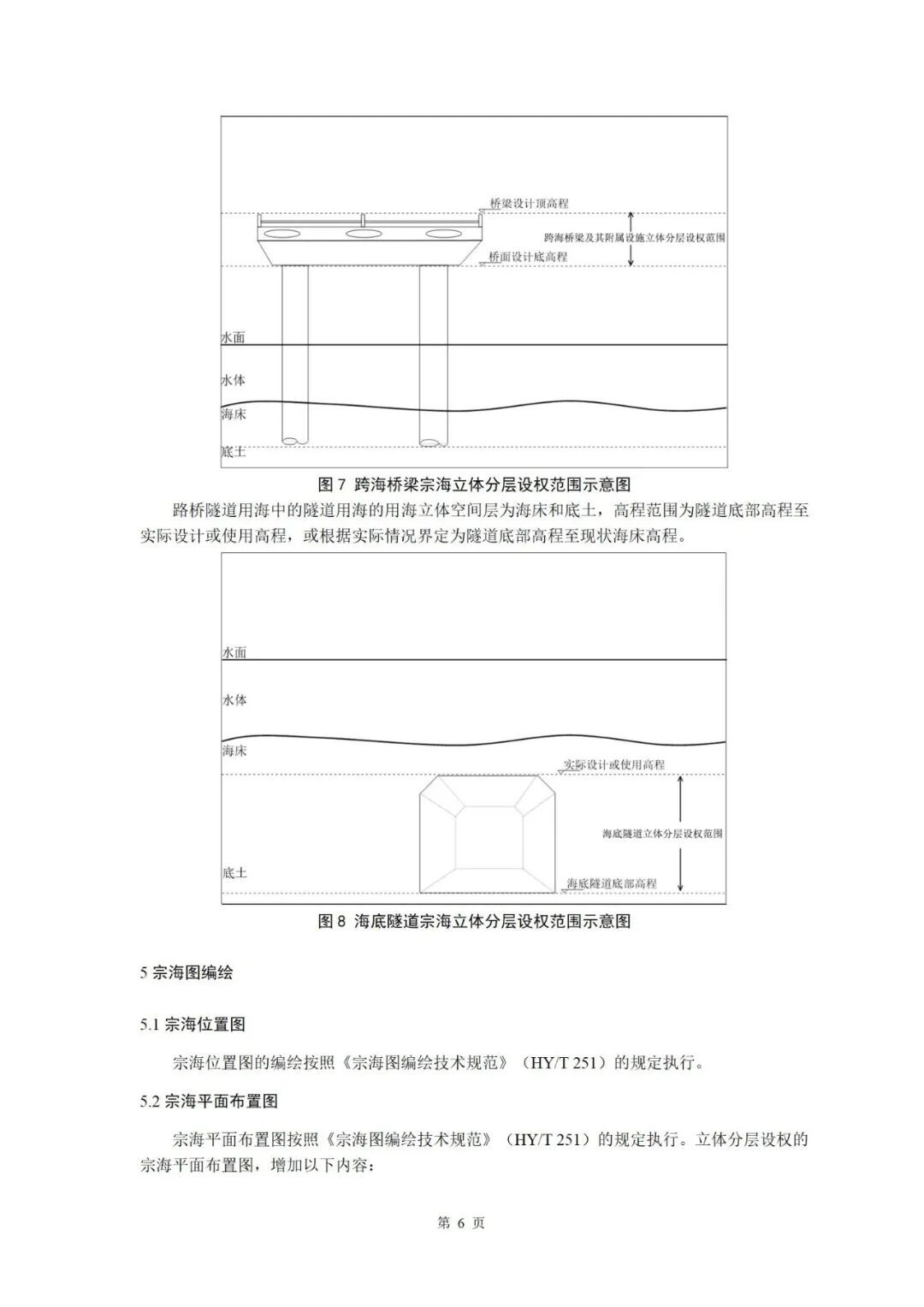
    图片